Long Radius vs Short Radius Elbow,How Much Do You Know?
Introduction
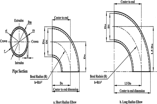
The "long radius elbow" and "short radius elbow" belong to the family of pipe fittings, which are used in piping systems to connect straight pipe pieces and adapt to different sizes or angles. The main difference that sets "long radius elbow" and "short radius elbow" apart is their bend radius, which also directly affects the brewing resistance, pressure loss, and space needed for installation. The option with a larger bending radius – a "long radius elbow" – minimizes turbulence and pressure drop and may be more desirable than a short radius elbow in situations that require as smooth a flow as possible. A "short radius elbow" has a tighter bend, which makes it recommended for space-limited installations.
Long Radius Elbow Dimensions Short Radius Elbow Dimensions Engineers and designers rely on the "long radius elbow dimensions" and "short radius elbow dimensions" to select specific applications. The key specifications that are important in the elbows are the "90-degree long radius elbow" and the "90-degree short radius elbow". "ASME B16“ is important for industries working in the field of gas, chemicals, and water treatment. 9" manufacturing standards for these products. The structural integrity and longevity of the shortcuts are improved by the use of "butt weld elbow" fittings. That is why choosing the right elbow type has a significant impact on flow, wear, durability of the pipeline system, etc.
1. What is Long Radius Elbow?
A long radius elbow is a pipe fitting used to change the direction of flow with minimum pressure loss and turbulence. In plumbing, the most basic definition of "long radius elbow" is the bend radius of 1.5 times the nominal pipe diameter. This means fluid can flow smoother with this feature in short-radius elbows. Long-radius elbow dimensions are used by engineers to produce accurate sizes and specifications, and a series of dimensions will be listed according to the degree of the elbow. Experts design standard "long radius elbow dimensions" to create efficiency in pipelines with reduced flow resistance.
90-degree long radius elbow is the normal elbow used in piping. It is also called the "90-degree long radius elbow". "90-degree long radius elbow" instead compensates for sudden changes in flow direction and thus can be used in high-pressure systems, unlike short-radius elbows. This fitting has been designed with "long radius elbow dimensions" to meet industry standards.
The "long radius elbow" durability is all about its materials. Among them, one of the most used materials is "stainless steel elbow," which has very good corrosion resistance and high durability. Because of their strength and long lifespan, the "stainless steel elbow" is commonly used in industries such as oil and gas, chemical processing, and water treatment. Likewise, the "PVC elbow" is a lightweight, low-cost alternative used extensively for plumbing & low-pressure applications. It is commonly used as a "PVC elbow" for its ease of installation and resistance to chemical exposure.
Choosing the appropriate "long radius elbow" is critical for piping system efficiency. One Engineers select between a "stainless steel elbow" and a "PVC elbow". For a "90-degree long radius elbow" or any variation, proper specifications are essential to the design of a durable and efficient pipeline system.
2. Long Radius Elbow Application
The long radius elbow is an essential fitting in many industries, allowing for smooth flow of the fluid while minimizing pressure loss. For piping systems that function at either high pressure or high flow, one of the major benefits of the "long radius elbow" is its ability to decrease turbulence in pipelines. For engineers, the right "long radius elbow dimensions" are also key to ensuring correct installation and performance in any industrial situation. Long radius elbow dimensions, calculated and optimized, enable their efficient and durable incorporation into piping systems.
In the industrial field, a "90-degree long radius elbow" is often used in raw material and chemical transportation. Another example of this would be a "90-degree long radius elbow," as the gradual curve will prevent the fluid from losing its speed. “90-degree long radius elbow” fittings are essential for industries, including oil and gas, power plants, and chemical processing plants, in order to prevent system failures and maintain operational productivity.
Besides being a popular fitting in the field of "long radius elbow," it is also widely used in plumbing and HVAC systems. For instance, components such as "PVC elbow" are commonly used in plumbing to change the direction of the water flow in both residential and commercial buildings. The "PVC elbow" is a durable, chemical-resistant pipe fitting used in water supply and drainage systems. For high-pressure applications such as steam and industrial brine systems, “stainless steel elbow” fittings are also key. A "stainless steel elbow" is known for its corrosion resistance, making it a long-lasting and reliable choice, especially for use in aggressive environments.
What Is A Long Radius Elbow, Where Is It Used, And Why It Is So Important For Oil Refineries, Water Treatment Plants, And Smooth Operations Of Pipelines? The process of choosing the right form is critical in making sure the flow is optimized, pressure loss is under control, and the long pipeline system material performance is maintained, which certainly contributes to this, especially for existing "long radius elbow dimensions" such as "90-degree long radius elbow", "pvc elbow," "stainless steel elbow" and others.
| 规格 | 外径 | 外 径 D | L R 高 H | L R 外 弧 W | ||||||
| 寸 | DN | 上 | 下 | 上 | 下 | |||||
| 2" | DN50 | 57 | 58.6 | 56.2 | 106.7 | 102.7 | 164.38 | |||
| 60.3 | 61.9 | 59.5 | 108.35 | 104.35 | 166.97 | |||||
| 2-1/2" | DN65 | 73 | 74.6 | 72.2 | 133.75 | 129.75 | 206.85 | |||
| 76 | 77.6 | 75.2 | 135.25 | 131.25 | 209.20 | |||||
| 3" | DN80 | 88.9 | 90.5 | 87.3 | 160.75 | 156.75 | 249.24 | |||
| 89 | 90.6 | 87.4 | 160.8 | 156.8 | 249.32 | |||||
| 4" | DN100 | 114.3 | 115.9 | 112.7 | 211.55 | 207.55 | 328.99 | |||
| 108 | 109.6 | 106.4 | 208.4 | 204.4 | 324.05 | |||||
| 5" | DN125 | 141.3 | 143.7 | 139.7 | 263.15 | 259.15 | 410.01 | |||
| 133 | 135.4 | 131.4 | 259 | 255 | 403.49 | |||||
| 6" | DN150 | 168.3 | 170.7 | 166.7 | 314.75 | 310.75 | 491.02 | |||
| 159 | 161.4 | 157.4 | 310.1 | 306.1 | 483.72 | |||||
| 8" | DN200 | 219.1 | 221.5 | 217.5 | 416.35 | 412.35 | 650.53 | |||
| 10" | DN250 | 273 | 277 | 269.8 | 519.5 | 515.5 | 812.48 | |||
| 12" | DN300 | 323.9 | 327.9 | 320.7 | 621.15 | 617.15 | 972.07 | |||
| 325 | 329 | 321.8 | 621.7 | 617.7 | 972.93 | |||||
| 14" | DN350 | 355.6 | 359.6 | 352.4 | 713.2 | 709.2 | 1116.58 | |||
| 377 | 381 | 373.8 | 723.9 | 719.9 | 1133.38 | |||||
| 16" | DN400 | 406.4 | 410.4 | 403.2 | 814.8 | 810.8 | 1276.10 | |||
| 426 | 430 | 422.8 | 824.6 | 820.6 | 1291.48 | |||||
| 18" | DN450 | 457.2 | 461.2 | 454 | 916.4 | 912.4 | 1435.61 | |||
| 480 | 484 | 476.8 | 927.8 | 923.8 | 1453.51 | |||||
| 20" | DN500 | 508 | 514.4 | 503.2 | 1018 | 1014 | 1595.12 | |||
| 530 | 536.4 | 525.2 | 1029 | 1025 | 1612.39 | |||||
| 24" | DN600 | 609.6 | 616 | 604.8 | 1221.2 | 1217.2 | 1914.14 | |||
| 630 | 636.4 | 625.2 | 1231.4 | 1227.4 | 1930.16 | |||||
| 26" | DN650 | 660.4 | 666.8 | 655.6 | 1323.8 | 1317.8 | 2073.66 | |||
| 28” | DN700 | 711.2 | 717.6 | 706.4 | 1425.4 | 1419.4 | 2233.17 | |||
| 720 | 726.4 | 715.2 | 1429.8 | 1423.8 | 2240.08 | |||||
| 30" | DN750 | 762 | 768.4 | 757.2 | 1527 | 1521 | 2392.68 | |||
| 32" | DN800 | 812.8 | 819.2 | 808 | 1630.6 | 1620.6 | 2552.19 | |||
| 820 | 826.4 | 815.2 | 1634.2 | 1624.2 | 2557.84 | |||||
3. What is a Short Radius Elbow?
A short radius elbow is a piping filter that changes the direction of fluid within a limited space. A "short radius elbow" is a compact elbow with a bend radius the same as the nominal pipe diameter when compared to long-radius elbows. A "short radius elbow" is used, which saves space due to its smaller size. But, this steeper curve generates otherwise more pressure loss than long radius elbows. "Short radius elbow dimensions" are used by engineers to help make sure that everything fits and is compatible with a piping system. Using abbreviated “short radius elbow dimensions” helps reduce misalignment and flow interruptions.
For example, ConnectorV, the 90-degree short-radius elbow, is commonly used in industrial applications. A 90-degree short radius elbow is used to change the direction of the pipeline with a relatively short distance, and it has been used in compact-type installations. But, a "90-degree short radius elbow" can cause a lot of turbulence, so it needs to be carefully selected to avoid pressure issues. Manufacturers use a test method known as "ASME B16. 9" standards, which set specification standards for factory-made wrought steel fittings, such as elbows. The "ASME B16. 9" is the measurement that was developed for industrial piping systems to guarantee uniformity, strength, and durability. Engineers rely on "ASME B16. When going through specifications for high-pressure applications, remember that “short radius elbow” specifications should be limited to 9” or smaller.
"Short Radius Elbow" – This is commonly referred to as "butt weld elbow" connects in welded piping systems. It is suitable for industries like chemical processing, oil and gas, and water treatment due to the leak-proof joint it provides using a "butt weld elbow." A well-product pipeline depends on the correct use of a butt weld elbow. Choosing your "short radius elbow dimensions," be it for a "90-degree short radius elbow" or a regular "short radius elbow," is an important part of making sure that the system functions properly.
4. Application of Short Radius Elbow
The most common application is in plumbing and industrial piping systems, where space is limited, and a sharp change of direction is required. When it comes to choosing your elbow, one of the main aspects that will play a huge role is its compatibility with the fittings, e.g., BSPp thread chart). This latter type is referred to as a BSP fitting, which uses a standardized thread dimension, as provided by the so-called “BSP thread chart,” making it easier for engineers to select the correct fittings for a leak-free and strong connection. →The "BSP thread chart" will provide professionals with a table of proper threading configurations to expand plumbing compatibility with "stainless steel BSP fittings."
| Long and Short Radius EIbowS ASME B16.9&B16.28(in mm) | |||||
| Centre to End | |||||
| Nominal Pipe |
Outside Diameter |
Long Radius Elbow | Short Radius Elbow |
||
| Size mm |
at Bevel D |
90 Deg A |
45 Deg B |
90 Deg A |
|
| 15 | 213 | 38.1 | 15.7 | ||
| 20 25 |
26.7 33.5 |
28.4 38.1 |
11.2 22.4 |
二 25.4 |
|
| 32 40 |
42.2 48.3 |
47.8 57.2 |
25.4 28.4 |
31.8 38.1 |
|
| 50 | 60.5 | 76.2 | 35.1 | 50.8 | |
| 65 | 73.2 | 95.2 | 44.4 | 63.5 | |
| 80 | 88.9 | 114.3 | 50.8 | 76.2 | |
| 100 | 114.3 | 152.4 | 63.5 | 101.6 | |
| 125 150 |
141.2 168.1 |
190.5 228.6 |
79.2 95.2 |
127.0 152.4 |
|
| 200 250 |
218.9 273.0 |
304.8 381.0 |
127.0 158.8 |
203.2 2540 |
|
| 300 350 |
323.8 355.6 |
457.2 533.4 |
190.5 222.2 |
304.8 355.6 |
|
| 400 450 |
406.4 457.2 |
609.6 685.8 |
254.0 285.8 |
406.4 457.2 |
|
| 500 600 |
508.0 609.6 |
762.0 | 317.5 381.0 |
508.0 | |
| 914.4 | 6096 | ||||
Most of the "stainless steel bBSPfittings" are used in industrial applications with the "short radius elbow" fittings. Through high-pressure circumstances, these fixings furnish stable and secure associations. They were more robust and less prone to leaks and breakdowns than earlier technologies, which improved the overall strength of a piping system, leading to the development of "stainless steel BSP fittings." To avoid leaking, engineers use "stainless steel BSP fittings" to prevent damage to piping, especially in oil and gas, chemical processing, and water treatment.
Engineers' declaration for the best functioning of "short radius elbow" fittings in advance demanding end uses will make use of the "BSP thread chart" and choose the high excellence "stainless steel bsp fittings" with "on." The "bsp thread chart" along with "stainless steel bsp fittings" work hand in hand to deliver a strong and reliable performance without losing efficiency.
5. Selecting Long Radius or Short Radius Elbow in Your Application?
The choice between a "long radius elbow" and a "short radius elbow" is based on the piping system's needs. Applications that require a lesser pressure drop and even fluid flow tend to use a "long radius elbow." Its joint makes an even less elbow, with a steady bend, allowing for the low turbulence motion with low friction of a liquid or gas. A "long radius elbow," however, takes up more space during installation, limiting its use in tighter piping configurations.

For narrower spaces and sharp directional shifts, a "short radius elbow" is used. One type of elbow is a "short radius elbow," which has a more compact design and is ideal for high-density piping systems like industrial plants and mechanical rooms. However, due to its tighter bend, a "short radius elbow" will increase pressure drop and potentially result in a higher flow resistance. The difference between a "long radius elbow" and a "short radius elbow" is as follows: whenever an engineer needs to make a selection, they should take into consideration flow velocity, the pressure required in the system, and the available space to coordinate the hydraulic-fluid system.
In high-pressure applications and industries where durability is critical, it is best to utilize a "long radius elbow"; whereas a "short radius elbow" is better for cramped quarters where fittings need to be compact. Having a basic understanding of these differences makes sure the right type of elbow is used for the best efficiency and reliability.

Conclusion
Long and short-radius elbows are both vital components of piping systems, offering directional changes that fit various space and flow needs. A long-radius elbow allows more fluid flow and less pressure loss, which is why it is the choice for higher-flow applications. However, a "short radius elbow" works well in confined locations but can result in higher degrees of turbulence.
Installation constraints, pressure considerations, and system efficiency will dictate whether a long-radius elbow or a short-radius elbow will be best for the application. Knowing the pros and cons of each gives the engineers the power to decide for themselves which choice guarantees the robustness of the pipeline system.
Ready to upgrade your piping system? Please visit Armpro Machine. Our range of accessories and expert advice ensures that you will find the perfect solution that meets your needs.
Don't forget to share this post!
Related Products
CONTACT US
Tell us your raw material and working details to get quotations within 24 hours.
WhatsApp Us: +86 159 27 555863

Want the best price & newest metal working machinery buying guide,tips and trends sent straightly to your box?Sign up for Armpro's monthly newsletter,we're free for your consultation and Offer you the most suitable working solutions!
The Buyer's Guide
- Tapping Machine: The Ultimate Buying Guide in 2024
- Electric Tapping Machines:the Ultimate Buying Guide in 2024
- Drilling Machine: The Ultimate Buying Guide in 2024
- Drilling milling Machine:The Ultimate Buying Guide in 2024
- CNC Tapping Machine :The Complete Buying Guide in 2024
- Pipe chafering Machine:The Complete Importing Guide in 2024
- Radial drilling Machine:The Complete Buying Guide in 2024
- Thread rolling Machine:The Complete Buying Guide In 2024
- Pillar Drilling Machine:The Ultimate Buying Guide in 2024











